KJF

ENG

Push Type Threaded body Clamp

YOU CAN COUNT ON OUR EXPERTISE

Features
  • 설치 용이
  • 다양한 사이즈
  • 단동
  • 스프링으로 복귀
  • 내경범위 : ø13~63
  • 작동범위 : 15~250kgf/㎠
  • 사용온도 : 0~60℃
  • * 장착물 조립시 피스톤 로드 고정 시킬것.
Model No.
  • 1
    Clamp Type
    TBP = Threaded Body Clamp (Single-acting)
  • 2
    Piston Diameter
    ex ) 32 = Ø32
  • 3
    Pistion Rod Stroke
    ex ) 25 = 25mm
Specifications
MODEL NO. Clamping Force (Ton) Effective Area (㎠) Oil Capacity (㎤) Weight (kg)
TBP-1308 0.32 1.30 1.0 0.11
TBP-2015 0.78 3.14 4.7 0.23
TBP-2615 1.32 5.30 8.0 0.34
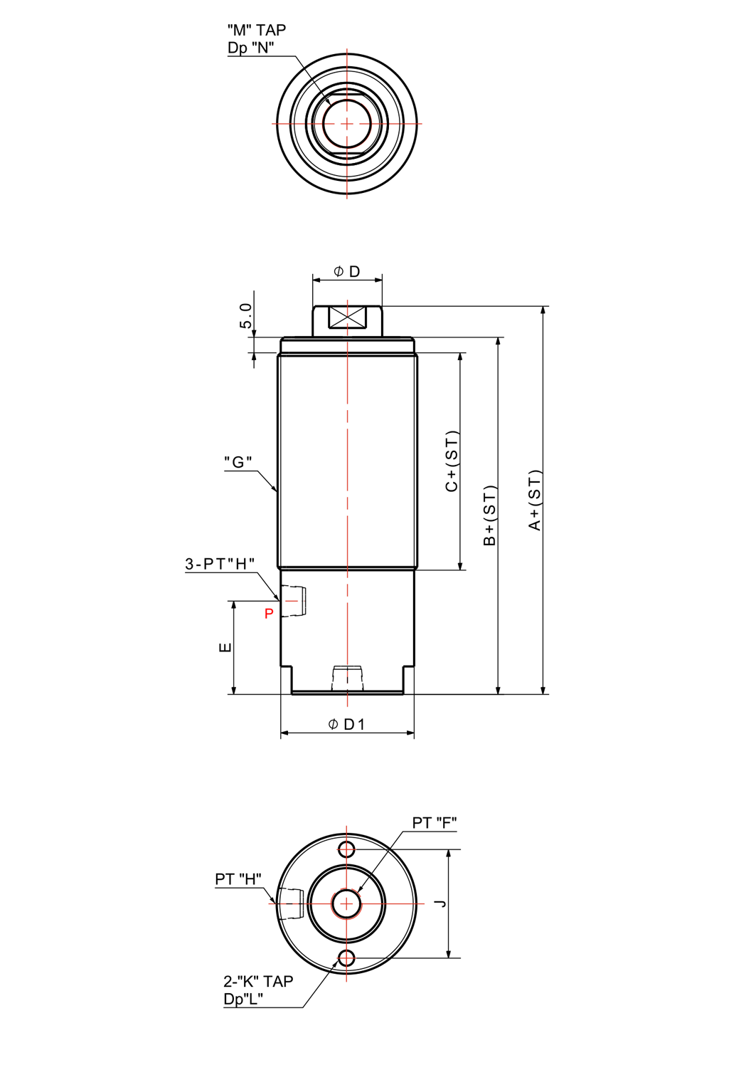
Model No. DIMENSIONS(mm) DOWNLOAD 주문
A B C øD øD1 E F G H J K L M N Piston Dia. 2D 3D PDF
TBP-1308 54.5 46 36 7 18 - 1/8 M20x1.5P - - - - - - ø13
TBP-2015 47 42 32 12 26 - 1/8 M28x1.5P - - - - M8x1.25P 12 ø20
TBP-2615 59 54 31 16 30 12 1/8 M32x1.5P 1/8 - - - M10x1.5P 17 ø26
TOP