KJF

ENG

Pneumatic Type Hinge Clamp

YOU CAN COUNT ON OUR EXPERTISE

Piping Method
Features
  • 공압으로 작동
  • 가스연질화 표면처리
  • 편리한 배관
  • 빠른 제품 장탈착
  • 내경범위 : ø15~63
  • 작동압력 : 3~9.9kgf/㎠
  • 사용온도 : 0~60℃
  • 레버(클램프암)는 옵션
TYPES FOR SENSING
Model No.
  • 1
    Clamp Type
    HGC = HINGE CLAMP
  • 2
    Piston Diameter
    ex ) 15 = Ø15
  • 3
    Piston Rod Stroke
    ex ) 19 = 19mm
  • 4
    Type
    A = Pneumatic (Air)
  • 5
    Sensing Type
    M = Long Pin Type
    D = Double Rod Type(주문제작)
HINGE CLAMP PNEUMATIC TYPE
  • HGC-1519A
  • HGC-2024A
  • HGC-2527A
  • HGC-3035A
  • HGC-4040A
  • HGC-5051A
  • HGC-6353A
Specifications
Model No. ClampingForce(kgf)
@5kgf/㎠
Piston
Diameter(ø)
Effective
Area(㎠)
Stroke(mm) Piston
Speed
(mm/s)
Operating
Pressure Range
(kgf/㎠)
Operating
Temperature
Range(℃)
Weight
(kg)
Total Extra
HGC-1519A 9 15 1.76 19 2 8~100 3~9.9 0~60 0.23
HGC-2024A 16 20 3.14 24 2 0.37
HGC-2527A 25 25 4.90 27 2 0.54
HGC-3035A 35 30 7.06 35 3 1.24
HGC-4040A 63 40 12.56 40 3 1.70
HGC-5051A 98 50 19.62 51 3 2.86
HGC-6353A 156 63 31.15 53 3 4.29
Clamping Force Calculation Formula
Pneumatic Clamp
  • 클램핑력은 치수 K와 사용압력에 따라 변합니다.
    아래의 계산식을 통해 클램핑력을 구해 주십시오..
    • - F = Clamping Force(kgf)
    • - P = Pneumatic Pressure(kgf/㎠)
    • - K = Refer to Drawing (mm)
  • PNUEMATIC
    HGC-1519A : F = 28.2 x P / K
    HGC-2024A : F = 62.8 x P / K
    HGC-2527A : F = 112.7 x P / K
    HGC-3035A : F = 211.8 x P / K
    HGC-4040A : F = 439.6 x P / K
    HGC-5051A : F = 882.9 x P / K
    HGC-6353A : F = 1557.5 x P / K
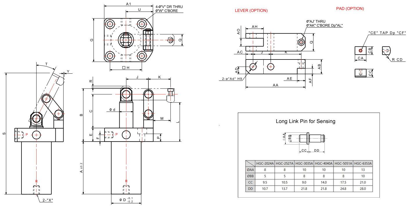
MODEL NO 주문 Download Dimensions(mm)
2D 3D PDF A A1 B C øD ød E F G H J K L M P Q R S T U V W X Y AA AB AC AD Ad AE AF AH AJ AK AL AO CA CB CC CD CE CF
HGC-1519A 45 37 43.5 26 20 8 13 5 32 22 16 16 31.5 11 8.5 9 2 101.4 25.8° 21 4.5 8 M5 0.3 40.5 9 4.5 4.5 5 8 4 12 3.5 6 3 4 8 8 7 6 M3 4.5
HGC-2024A 50 45 49.5 31 25 12 14 5.5 40 28 20 20 37.5 15 8 9 2 114.8 25.1° 25 5.5 9.5 M5 0.7 49 9 5 4.5 5 8 4 13.5 3.5 6 3 4 8 8 7 6 M3 4.5
HGC-2527A 54.5 50.5 55 35 31 14 14 7 45 33 23 23 40.5 18 8 12 2 125.8 26.8° 28 5.5 9.5 PT 1/8 1 56 12 6 6 5 8 4.5 14.5 3.5 6 3 5 8 8 7 6 M3 4.5
HGC-3035A 76.5 64 78.5 50.5 37 18 18 9 52 37 30 30 57.5 22 11 19 3 175.7 26.3° 38 7 11 PT 1/8 0.6 74 19 9 9 8 10 8 23 4.5 8 4 9 14 14 10 10 M4 6
HGC-4040A 81.5 74 83.5 55.5 47 20 18 9 62 47 35 35 62.5 27 10 19 3 188.7 28.5° 43 7 11 PT 1/8 1.3 84 19 9 9 8 10 8 23 4.5 8 4 9 14 14 10 10 M4 6
HGC-5051A 101.5 91.5 96.5 67.5 58 22.4 20 10 77 57 45 45 75.5 37 11 22 3 228.1 29.5° 53 9 14 PT 1/8 3.3 104 18 9 9 8 10 7 22 4.5 8 4 10 14 14 10 10 M4 6
HGC-6353A 105 105 100 69 72 28 20 10 88 67 50 50 75 39 11 25 3 238.9 33° 61 9 14 PT 1/8 6.9 117 22 11 11 10 12 9 26 6 9.5 6 12 16 16 12 10 M5 6
더블로드타입 내경15~25 - - - - - - - - - - - - - - - - - - - - - - - - - - - - - - - - - - - - - - - - - -
더블로드타입 내경30~63 - - - - - - - - - - - - - - - - - - - - - - - - - - - - - - - - - - - - - - - - - -
TOP