KJF

ENG


Flange Type Rotary Joint

YOU CAN COUNT ON OUR EXPERTISE

Features
  • 회전하는 부품에 유압 공급
  • 배관 꼬임 방지
  • 가스연질화 표면처리
  • 최대공압사용압력 : 9.9kgf/㎠
  • 최대유압사용압력 : 150kgf/㎠
  • 사용온도 : 0~70℃
  • 최대허용회전수 : 120rpm
  • 씰 재질 : 전용씰
  • 사용유체 : 기계작동유, Air, 절삭유
  • Structure
  • Application
플랜지 타입 로터리 조인트는 탭핑 센터 & 수직 머시닝 센터의 인덱스 픽스쳐와 수평 머시닝 센터의 픽스쳐에 사용하면 편리합니다.
Specifications
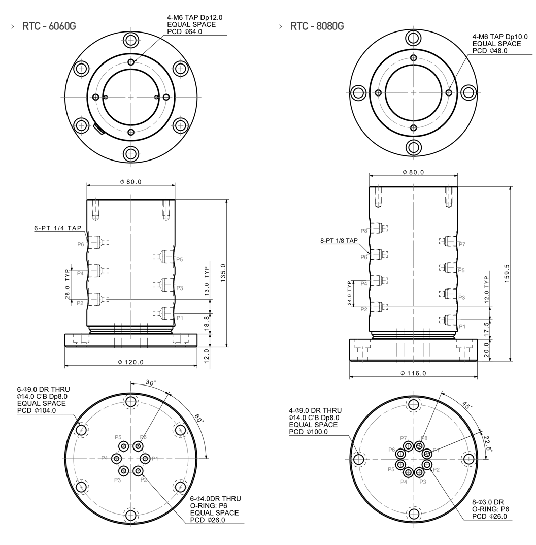
MODEL NO. RTC-1114G RTC-3030G RTC-4040G RTC-5050G RTC-6060G RTC-8080G
Number of Lines 2 3 4 5 6 8
Fluid Hydraulic Oil, Air, Cutting Fluid
Max. Operating Pressure 150kgf/㎠
Max. Revolutions per Minute 120rpm
Operating Temperature Range 0~70℃
Weight 3.1 kg 3.1 kg 3.3 kg 4.9 kg 5.4 kg 6.5 kg
Download 2D 3D PDF 2D 3D PDF 2D 3D PDF 2D 3D PDF 2D 3D PDF 2D 3D PDF
주문
TOP